a Six-Axis High-Efficiency Arc Welding Robot System for Heavy Metal Automation

Still deciding? Get samples of $ !
Request Sample

Product Description

📋 Basic Specifications
Model NO.
TR30-1720B
Control Mode
Continuous Path Control
Drive Mode
Electric
Type
Arc Welding Robot
Welding Speed
1 m/min
Payload
30kg
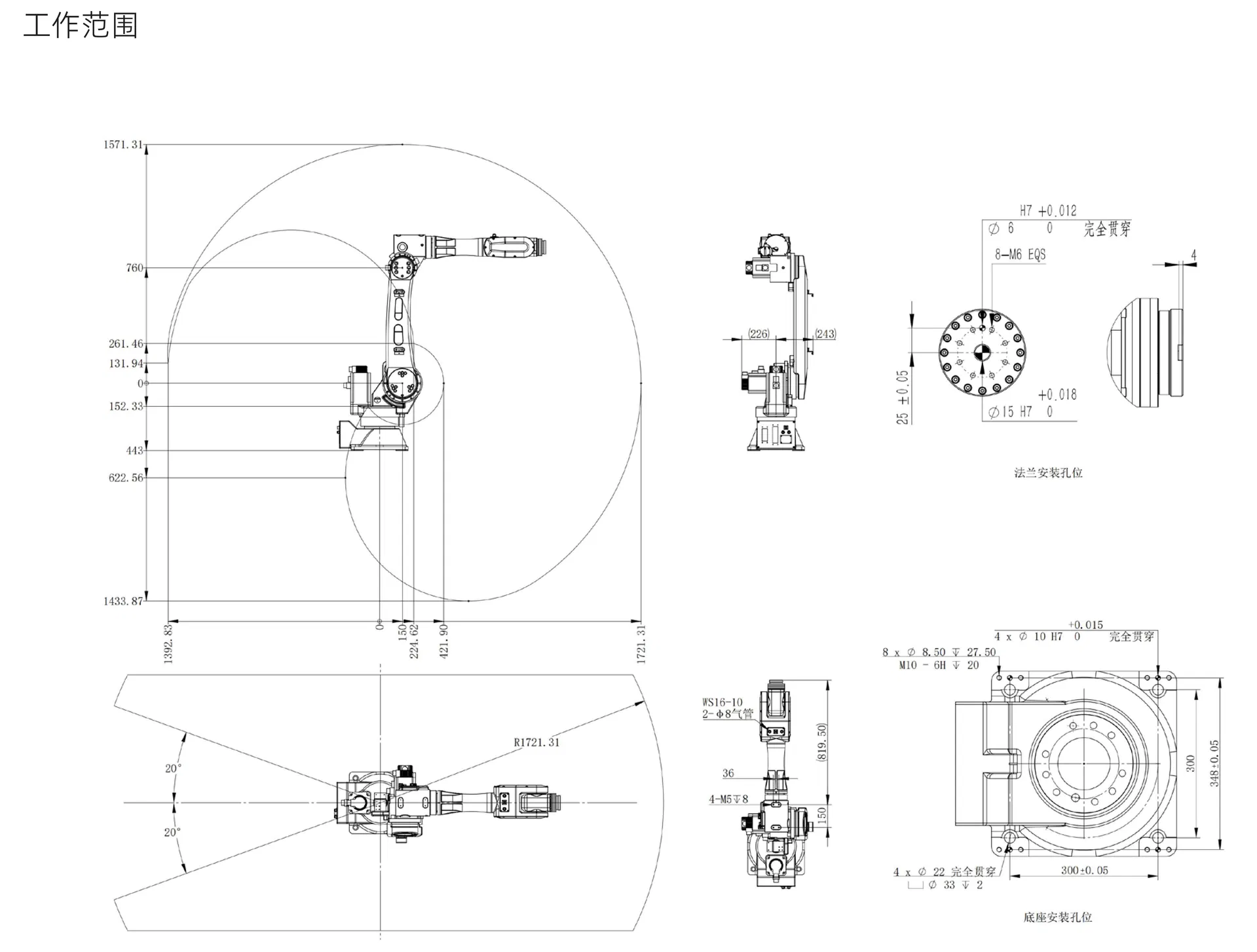
Max Working Radius
1721mm
DOF
6 Axes
Body Weight
220kg
Rated Power
5kw
Protection
IP54/IP67 Available
HS Code
8479501000
🚀 Product Description
Introducing our high-load and long-arm high-speed motion automated industrial robots, designed to revolutionize automation in industrial environments. This 6-axis robot system has a payload capacity of 30 kilograms, a maximum working radius of 1,721 millimeters, and a core weight of 220 kilograms.
The operational accuracy of this industrial robot has reached an impressive 0.05 millimeters, ensuring the accuracy and efficiency of each task. Whether it is welding or material handling, this robot is the perfect solution for high-speed and high-load applications.
Technical Specification
Model TR30-1720B Rated Power 5kw
Payload 30kg Position Repeat Accuracy ±0.05mm
Max Working Radius 1721mm Body Weight 220kg
DOF 6 axes Protection Specification IP54/IP67 (5 and 6 axes available)
Arc Welding Robot 1
Arc Welding Robot 2
Arc Welding Robot 3
Robotic System Detail 1
Robotic System Detail 2
🏭 Production & Capacity
Factory Overview
Related Product 1
Related Product 2
💼 Professional Capability
Our team specializes in industrial robots and customized robotic solutions. With complete capabilities in robot R&D and manufacturing, we provide stable and reliable robots and automation workstations for diverse industrial environments.
The team possesses over 15 years of industry experience, with core members having managed 1,000+ robot projects and produced over 5,000 units. Our core application areas include welding, material handling, and grinding & polishing, all requiring high levels of consistency, precision, and stability.
Robot Production
📦 Packing & Delivery
Shipping Logistics
📜 Certifications
Industry Certifications
Frequently Asked Questions
What is the payload and working range of the TR30-1720B?
The robot features a significant payload capacity of 30kg and an extensive maximum working radius of 1721mm, making it ideal for large-scale industrial tasks.
How precise is the robot's movement?
It offers an exceptional position repeat accuracy of ±0.05mm, ensuring high precision in welding, handling, and assembly applications.
What kind of environments can this robot operate in?
The robot is built with IP54/IP67 protection ratings (available for 5 and 6 axes), allowing it to operate reliably in challenging industrial environments.
What are the primary applications for this 6-axis robot?
This system is specifically optimized for arc welding, material handling, grinding, and polishing where consistency and high-speed motion are required.
What technical support is available?
We provide comprehensive technical services, including professional engineering support for pre-sales consultation and post-sales maintenance.
How is the quality of the product ensured?
Every unit undergoes a 100% quality inspection prior to shipment to ensure it meets all operational and safety standards.

Related Products